Blanks for cutting materials |
 |
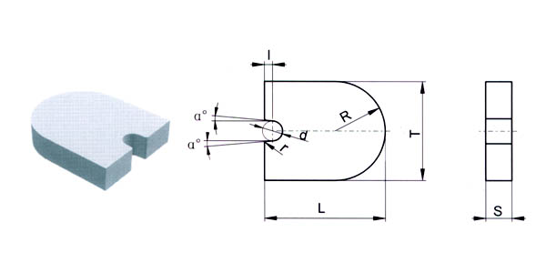
Type |
Dimension (mm) |
d |
T |
L |
S |
I |
R |
¦Á¡ã |
r |
HQ0201012 |
2 |
10 |
12 |
1 |
- |
5 |
- |
- |
HQ0341616 |
3.4 |
16 |
16 |
2.5 |
- |
8 |
- |
- |
HQ0461616 |
4.6 |
16 |
16 |
4 |
- |
8 |
- |
- |
HQ0541616 |
5.4 |
16 |
16 |
5 |
- |
8 |
- |
- |
HQ0641012 |
6.4 |
10 |
12 |
2 |
- |
5 |
- |
- |
HQ0641616 |
6.4 |
16 |
16 |
5 |
- |
8 |
- |
- |
HQ0402525 |
4 |
25 |
25 |
3 |
5 |
12.5 |
5 |
- |
HQ0842222 |
8.4 |
22 |
22 |
5.5 |
- |
11 |
- |
- |
HQ0942222 |
9.4 |
22 |
22 |
8 |
- |
11 |
- |
- |
HQ0802525 |
8 |
25 |
25 |
4.5 |
5 |
12.5 |
5 |
- |
HQ0803030 |
8 |
30 |
30 |
6 |
5 |
15 |
5 |
0.5 |
HQ1003030 |
10 |
30 |
30 |
10 |
3 |
15 |
6 |
- |
HQ1403635 |
14 |
36 |
35 |
13 |
3 |
18 |
6 |
- |
|
| |
Allowable tolerances of L(length), T(width) and S(thickness)
of tips are listed in the table below (mm) |
Basic dimensions |
Tolerance |
Basic dimensions |
Tolerance |
¡Ü6 |
¡À0.2 |
£¾25~40 |
¡À0.6 |
£¾6~12 |
¡À0.3 |
£¾40~55 |
¡À0.7 |
£¾12~25 |
¡À0.4 |
|
|
|
| |
| Allowable tolerances of the flatness are listed in the table below (mm) |
Basic dimensions |
¡Ü8 |
£¾18~30 |
£¾30 |
Tolerance |
0.15 |
0.2 |
0.25 |
|
| |
| |